auftragsspektrum
leistungsbild
referenzen
porträt
kontakt
download
anfahrt
impressum
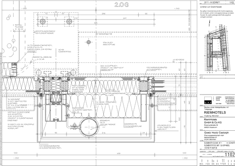
Riem Hotels, München Leitdetail: H-Schnitt Elementfassade, Elementstoss mit Glaspaneel
Riem Hotels, München
Leitdetail:
H-Schnitt
Elementfassade, Elementstoss mit Glaspaneel
zurück weiter
zurück
startseite